Ваше спокойствие - наша работа!

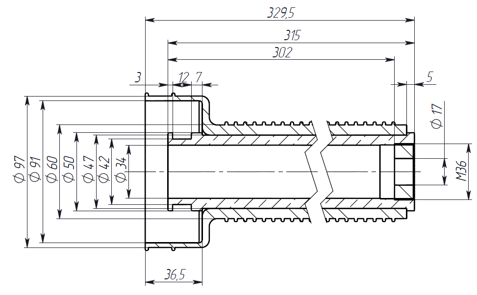
Труба контакта ТК-1250 для выкатных элементов СР и ТН

Возможны исполнения с произвольной длиной трубы контакта.

Так же применяются для вакуумных выключателей в выкатном исполнении.