Ваше спокойствие - наша работа!

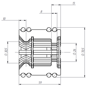
Втычной контакт РТ-1000 (для SCI ячейки CSI(M))

Кол-во ламелей, шт. - 24
Все размеры указаны для розетки в состоянии "одета на контакты"