Ваше спокойствие - наша работа!

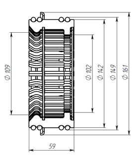
Втычной контакт РТ-3150

Кол-во ламелей, шт. - 64
Все размеры указаны для розетки в состоянии "одета на контакты"