Ваше спокойствие - наша работа!

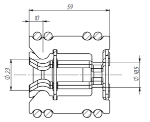
Втычной контакт РТ-630-4

630А (диаметр 24мм, предназначен для замены втычного контакта в ячейках КРУ КМВ-1, КМ-1Ф, КМ-1, К-47, К-59, К-63, К-104, К-105, К-108)

Кол-во ламелей, шт. - 12